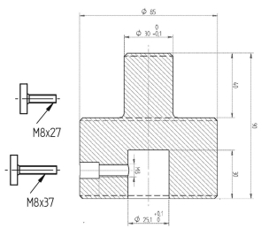
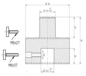
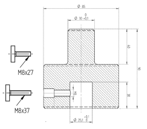
Jeu de poinçons pour presse 15461/15464

Référence : 15013
Pour réf.15461+15464
En savoir plus
Documentation
Cet article n'est plus référencé.
Voir les articles similairesDescription technique
Pour réf.15461+15464
Type
poinçonUtilisation
pour pressepour réf.
15461-15464Poids article
7.44KGNom fournisseur
COMPAC HYDRAULIK A/S - LIV EUROPE