Presse d'atelier manuelle et pneumatique 70T bati soudé

Référence : 15492

Vérin mobile.

Course très longue du piston : 300mm.

Manomètre à lecture facile.

Treuil pour la montée et descente rapide de la table.

Deux...

En savoir plus
Les plus
  • Avec approche rapide pneumatique
  • Grande largeur

Description technique

Vérin mobile.

Course très longue du piston : 300mm.

Manomètre à lecture facile.

Treuil pour la montée et descente rapide de la table.

Deux supports en V.

Piston chromé.

Course du vérin

300mm

Force de travail

70T

Type

manuelle et pneumatique

Option

Jeu de poinçons réf.15011, Kit de roulements réf.15017 et Ecran de protection 15382

Capacité maxi

70T

Type de vérin

mobile

Type de bâti

soudé

Poids article

620KG

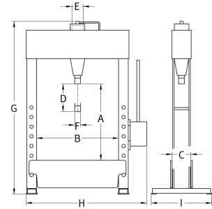
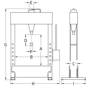
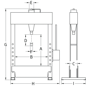
A

760mm

B

1005mm

C

255mm

D

300mm

E

160mm

F

80mm

G

2100mm

H

1615mm

I

710mm