Presse d'atelier manuelle 25T bati soudé avec pédale

Référence : 15026

Vérin mobile.

Piston chromé dur et course très longue de 240mm.

Commande à pédale pour utilisation "mains libres" en charge.

Commande à pédale...

En savoir plus

Description technique

Vérin mobile.

Piston chromé dur et course très longue de 240mm.

Commande à pédale pour utilisation "mains libres" en charge.

Commande à pédale pour une approche pneumatique rapide du piston.

Manomètre à lecture facile.

Course du vérin

240mm

Force de travail

25T

Type

manuelle

Capacité maxi

25T

Type de vérin

mobile

Type de bâti

soudé

Poids article

154KG

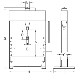
A

825mm

B

600mm

C

140mm

D

240mm

E

90mm

F

70mm

G

1800mm

H

890mm

I

505mm

Toutes les références